PRODUCTS
- Home
- Products
- Industrial Universal Joint
- K type, precision single universal joint
Industrial Universal Joint
K type, precision single universal joint
Pin and block universal joint- Features
- •Made from S-45C material with induction hardening
- treatment applied to the joints, suitable for customized
- specifications.
- • K-type dimensions are compact and lightweight, particularly
- suitable for installation in confined spaces.
- • Outer diameter grinding or rust-resistant blackening
- treatment available upon request.
- • Custom products can be made from SCM-435 material to
- enhance toughness and wear resistance.
- • Dust covers available (for K-25 and below specifications)
- • Inner Diameter: Ø6 ~ Ø60
- • Material: S-45C
- • Max operation angel: 30°
Application:
- Automatic machines, specialized machinery, printing machinery, paper machinery, blowers, rolling mills, straightening machines, slitting machines, forming machines, conveyors, wire drawing, valve control, and other industrial machinery
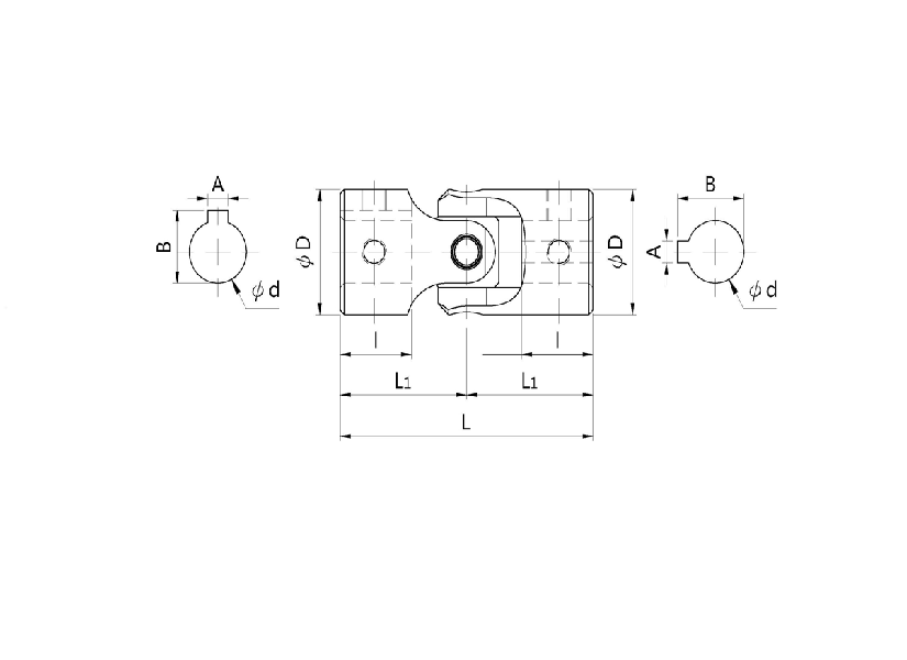
Model | Allowable Torque kg/m |
Breaking Torque kg/m |
Tensile Breaking Load kg |
Bore (H7) Φd |
Outer Diameter ΦD |
Overall Length L |
Yoke Length L1 |
Shaft Insertion Length I |
Center Distance C |
Keyway AxB |
Eccentricity mm |
---|---|---|---|---|---|---|---|---|---|---|---|
K-06 | 0.8 | 1.6 | 700 | 6+0.015 | 12 | 33 | 16.5 | 10 | 22 | / | 0.1 |
K-08 | 1.5 | 3.2 | 1120 | 8+0.015 | 16 | 40 | 20 | 11 | 25 | 3x9.8 | 0.1 |
K-10 | 3 | 7.5 | 1800 | 10+0.015 | 20 | 45 | 22.5 | 13 | 26 | 4x11.8 | 0.14 |
K-12 | 4.5 | 12 | 3200 | 12+0.018 | 24 | 51 | 25.5 | 14 | 32 | 4x13.8 | 0.14 |
K-14 | 7 | 17 | 3700 | 14+0.018 | 28 | 61 | 30.5 | 17 | 37 | 5x16.3 | 0.14 |
K-16 | 10 | 25 | 5300 | 16+0.018 | 32 | 69 | 34.5 | 19 | 44 | 5x18.3 | 0.14 |
K-18 | 13 | 32 | 6200 | 18+0.018 | 36 | 77 | 38.5 | 21 | 49 | 6x20.8 | 0.2 |
K-20 | 18 | 45 | 7100 | 20+0.021 | 40 | 87 | 43.5 | 24 | 54 | 6x22.8 | 0.2 |
K-22 | 24 | 60 | 9400 | 22+0.021 | 44 | 95 | 47.5 | 26 | 59 | 8x25.3 | 0.2 |
K-25 | 30 | 80 | 11250 | 25+0.021 | 50 | 111 | 55.5 | 30 | 69 | 8x28.3 | 0.2 |
K-30 | 45 | 115 | 14300 | 30+0.021 | 60 | 130 | 65 | 37 | 77 | 8x33.3 | 0.25 |
K-35 | 55 | 180 | 18500 | 35+0.025 | 70 | 149 | 74.5 | 41 | 91 | 10x38.3 | 0.25 |
K-40 | 85 | 250 | 24000 | 40+0.025 | 80 | 167 | 83.5 | 46 | 102 | 12x43.3 | 0.25 |
K-45 | 125 | 350 | 29500 | 45+0.025 | 90 | 205 | 102.5 | 51 | 113 | 14x48.3 | 0.25 |
K-50 | 180 | 490 | 38000 | 50+0.025 | 100 | 228 | 114 | 59 | 126 | 14x53.3 | 0.25 |
K-60 | 280 | 650 | 57500 | 60+0.030 | 120 | 270 | 135 | 70 | 138 | 18x64.4 | 0.25 |